當前位置: 滾珠絲桿網 ? 3204滾珠絲杠 ? DFV3204滾珠絲杠
DFV3204滾珠絲杠
雷研精密傳動設備有限公司供應DFV3204滾珠絲杠【貨源充足、價格合理、原裝正品、品牌齊全】滿足客戶的需求。請需要DFV3204滾珠絲桿的朋友聯系:黃志杰(經理)? 聯系電話:15802034588。
DFV3204滾珠絲桿參數
型號:DFV3204
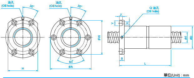
絲桿外徑:32
導程:4
珠徑:2.381
螺母外徑:54
法蘭直徑:81
法蘭的厚度:12
螺母的長度:94
安裝孔之間的距離:67
法蘭的寬度:64
珠圈數:4.8×1
動額定負荷:1517
靜額定負荷:5806
剛性:85
【轉造滾珠螺桿結構和特征】
轉造滾珠螺桿是一種價格便宜的進給螺桿,它利用螺旋溝槽精密轉造成形以及表面特殊研磨,以取代精密滾珠螺桿所使用的昂青的研磨螺桿軸。
滾珠螺桿的螺帽的滾珠滾動面全部經過研磨精加工.與以前的轉造滾珠螺桿相比,軸方向間隙小.具有更加平滑的運動性能。
另外.各種類型都已標準化,可根據用途進行最佳的選定。
【螺桿軸滾珠滾動面的粗糙度在0.20a以下】
螺桿軸的滾珠滾動面在精密轉造后.經過表面特殊研磨.與經過螺旋溝槽研磨的精密滾珠螺桿的滾珠滾動面一樣,表面粗糙度在0.20a以下。
【滾珠螺桿螺帽的滾珠滾動面經過研磨精加工】
對轉造滾珠螺桿用螺帽.全部與精密滾珠螺桿一樣.進行研磨精加工.以確保具有好的耐久性以及平滑的運動性能。
瀏覽DFV3204滾珠絲桿的用戶還會?
DFV1610滾珠絲杠、DFV1510滾珠絲杠等。
滾珠絲杠討論①群263545937(專家在線為你解答)歡迎你的加入!
版權所有 © 轉載時必須以鏈接形式注明作者和原始出處!


