當前位置: 滾珠絲桿網 ? 2010滾珠絲杠 ? DFVR2010滾珠絲杠
DFVR2010滾珠絲杠
雷研精密傳動設備有限公司供應DFV2010滾珠絲杠【貨源充足、價格合理、原裝正品、品牌齊全】滿足客戶的需求。請需要DFV2010滾珠絲桿的朋友聯系:黃志杰(經理)? 聯系電話:15802034588。
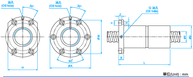
DFV2010滾珠絲桿參數
型號:DFV2010
絲桿外徑:20
導程:10
珠徑:3.969
螺母外徑:46
法蘭直徑:74
法蘭的厚度:13
螺母的長度:117
安裝孔之間的距離:59
法蘭的寬度:46
珠圈數:2.7×1
動額定負荷:1518
靜額定負荷:3398
剛性:40。
圖紙下載:DFVR2010滾珠絲杠圖紙PDF下載
【滾珠絲杠螺母】
滾珠絲杠螺母包括法蘭型螺母和圓柱螺母。另外還可以單獨提供有間隙的單螺母供貨時我們提供假軸以保護螺母和滾珠結構。滾珠絲杠法蘭型螺母帶有固定的孔_而滾珠絲杠圓柱螺母則帶有一個鍵槽或一個外部螺紋。

滾珠絲杠螺母有三種不同的滾珠循環系統具體形式取決于所用絲杠軸的直徑和導程。防塵罩唇形貼合絲杠軸螺紋形狀設計可以限制潤滑劑的溢出.并防止灰塵滲入。

【螺帽旋轉式滾珠絲桿】
體積較其他絲桿小且精密度高,螺帽和支撐軸承是一體成型的,所以螺帽體積小,可以支撐軸承的接觸角為45度,因此可以承受較大的軸向負荷。組裝容易,只須用螺絲把螺帽和軸承座鎖定鎖緊,便可以簡單的獲得此種滾珠絲桿。
瀏覽DFV2010滾珠絲桿的用戶還會?
DFV2005滾珠絲杠、SFU8020滾珠絲杠等。
滾珠絲杠討論①群263545937(專家在線為你解答)歡迎你的加入!
版權所有 © 轉載時必須以鏈接形式注明作者和原始出處!


