當前位置: 滾珠絲桿網 ? 1610滾珠絲杠 ? DFV1610滾珠絲杠
DFV1610滾珠絲杠
雷研精密傳動設備有限公司供應DFV1610滾珠絲杠【貨源充足、價格合理、原裝正品、品牌齊全】滿足客戶的需求。請需要DFV1610滾珠絲桿的朋友聯系:黃志杰(經理)? 聯系電話:15802034588。
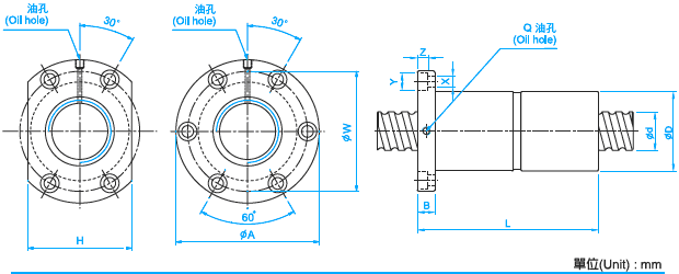
DFV1610滾珠絲桿參數
型號:DFV1610
絲桿外徑:16
導程:10
珠徑:3.175
螺母外徑:40
法蘭直徑:63
法蘭的厚度:11
螺母的長度:106
安裝孔之間的距離:51
法蘭的寬度:42
珠圈數:2.7×1
動額定負荷:1008
靜額定負荷:2161
剛性:32。
【滾珠絲桿處置注意事項】
(1)請不要分解各部分。否則,可能導致異物的進入或者功能的損失。
(2)絲桿軸及滾珠絲桿螺母傾斜后可能因為自身重量而落下,請加以注意。
(3)請注意不要讓滾珠絲桿掉落或者敲擊。否則,可能導致劃傷、破損。另外,受到了衝擊時,即使外觀上看不見破損,也可能導致功能的損失。
(4)請不要將滾珠絲桿螺帽從滾珠絲桿軸上卸下。否則,可能導致鋼球、保持器脫落,或者無法使用。
(5)請防止垃圾、切屑等異物的進入。否則,可能導致鋼球循環部件的破損、功能的損失。
(6)因冷卻劑的種類的不同,有時可能給產品的功能帶來障礙。要在冷卻劑可能進入滾珠絲桿螺帽內部的環境下使用時,請咨詢我們。
瀏覽DFV1610滾珠絲桿的用戶還會?
DFV1605滾珠絲杠、DFV1604滾珠絲杠等。
滾珠絲杠討論①群263545937(專家在線為你解答)歡迎你的加入!
版權所有 © 轉載時必須以鏈接形式注明作者和原始出處!


