當前位置: 滾珠絲桿網 ? 5010滾珠絲桿 ? SFI5010滾珠絲杠
SFI5010滾珠絲杠
雷研精密傳動設備有限公司供應SFI5010滾珠絲杠【貨源充足、價格合理、原裝正品、品牌齊全】請需要SFI5010絲杠的朋友聯系:黃志杰(經理)? 聯系電話:15802034588。
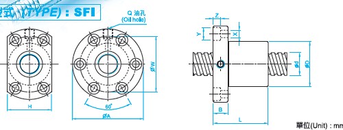
SFI5010滾珠絲桿參數
型號:SFI5010
絲桿外徑:50
導程10
珠徑:6.35
螺母外徑:72
法蘭直徑:114
法蘭的厚度:18
螺母的長度:93
安裝孔之間的距離:92
法蘭的寬度:82
珠圈數:1×4
動額定負荷:6004
靜額定負荷:19614
剛性:83。
【進給傳動系統的故障診斷與維修】
數控機床的進給傳動系統的任務是實現執行機構(刀架、工作臺等)的運動。機床的機械結構大為簡化,大部分是由進給伺服電動機經過聯軸器與滾珠絲杠直接相連,只有少數早期生產的數控機床,伺服電動機還要經過l級或2級齒輪或帶輪降速再傳動絲杠。最后由滾珠絲杠螺母副驅動刀架或工作臺運動。這些執行部件的移動副或轉動副大都用的是滾動導軌副,也有用靜壓導軌或塑料導軌副等。進給傳動的故障直接影響到機床的正常運行和工件的加工質量。
瀏覽SFI5010滾珠絲杠用戶還會?
DFU5010滾珠絲杠、SCI5010滾珠絲杠等。
滾珠絲杠討論①群263545937(專家在線為你解答)歡迎你的加入!
版權所有 © 轉載時必須以鏈接形式注明作者和原始出處!


