當前位置: 滾珠絲桿網 ? 4010滾珠絲杠 ? SFI4010滾珠絲桿
SFI4010滾珠絲桿
雷研精密傳動設備有限公司供應SFI4010滾珠絲桿【貨源充足、價格合理、原裝正品、品牌齊全】請需要SFI4010絲杠的朋友聯(lián)系:黃志杰(經理)? 聯(lián)系電話:15802034588。
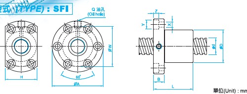
SFI4010滾珠絲杠參數
型號:SFI4010
絲桿外徑:40
導程10
珠徑:6.35
螺母外徑:62
法蘭直徑:104
法蘭的厚度:18
螺母的長度:93
安裝孔之間的距離:82
法蘭的寬度:70
珠圈數:1×4
動額定負荷:5399
靜額定負荷:15500
剛性:72。
【滾珠絲杠螺母副的支承方式】
? 數控機床的進給系統(tǒng)要獲得較高的傳動剛度,除了加強滾珠絲杠螺母副本身的剛度外,滾珠絲杠的正確安裝及支承結構的剛度也是不可忽視的因素:滾珠絲杠常用推力軸承支座,以提高軸向剛度(當滾珠絲杠的軸向負載很小時,也可用角接觸球軸承支座)。
瀏覽SFI4010滾珠絲桿的用戶還會?
DFU4010滾珠絲杠、SCI4010滾珠絲桿等。
滾珠絲杠討論①群263545937(專家在線為你解答)歡迎你的加入!
版權所有 © 轉載時必須以鏈接形式注明作者和原始出處!


