當前位置: 滾珠絲桿網 ? 1210滾珠絲杠 ? XSVR01210滾珠絲桿
XSVR01210滾珠絲桿
雷研精密傳動設備有限公司供應XSVR01210滾珠絲杠【貨源充足、價格合理、原裝正品、品牌齊全】滿足客戶的需求。請需要XSVR01210滾珠絲桿的朋友聯系:黃志杰(經理)? 聯系電話:15802034588。
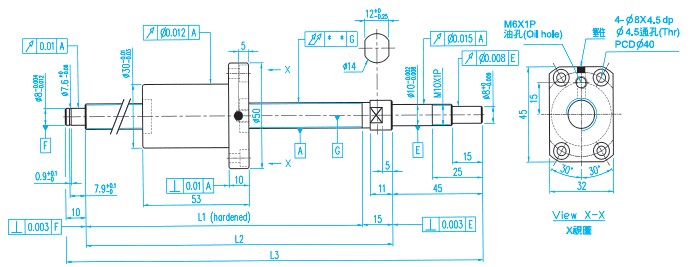
XSVR01210滾珠絲桿參數
鋼珠中????????????????????? ??Ball center dia.??????????? ?12.85
鋼珠直徑(mm)??????? Ball dia.?????????????????????????? ??2.5
導程(mm)?????????????? ?Pitch????????????????????????????????? ?10
珠卷數?????????????????????? Number of turns??????????? ?2.7×1
導程角???????????????????????Lead angle??????????????????????? 13.91°
螺旋方向????????????????? Helix dir.???????????????????????? ? R
彈簧力?????????????????????? Spring force?????????????????????0.1~0.2Kg
預壓量???????????????????????Preload??????????????????????????? ? 25Kgf
動負荷Ca(Kgf)??????? Dynamic (Ca)???????????????? ?513
靜負荷Co(Kgf)???????Static (Coa)???????????????????? ?1004
精度(級數)????????????? ?Grade??????????????????????????????? ?0.018
XSVR01210滾珠絲桿不同長度參數
行程(mm)??????? 公稱編號??????????????????? ???????????????????????? ??絲桿軸長度??????????????????? ?軸心偏擺
Strke??????????????? Model NO?????????????????????????????????????????????????L1???? ?L2?? ????? L3
100?????? XSVRO121OB1DGC5-230-P1???????????????? 160???? ?175????? 230?????? ? 0.035
150?????? XSVRO121OB1DGC5-280-P1??????????????????210???? 225???? ?280???????? 0.035
250?????? XSVR0121OB1DGC5-380-P1????????????????? 310??? ?325???? ?380?????? ?0.050
350?????? XSVR0121OB1DGC5-480-P1??????????????????410???? 425????? 480???????? 0.060
450?????? XSVR0121OB1DGC5-580-P1?????????????????? 510??? 525????? 580?????? 0.075
瀏覽XSVR01210滾珠絲桿的用戶還會?
DFV2010滾珠絲杠、SFU1204滾珠絲杠等.
滾珠絲杠討論①群263545937(專家在線為你解答)歡迎你的加入!
版權所有 © 轉載時必須以鏈接形式注明作者和原始出處!



