當前位置: 滾珠絲桿網 ? 線性模組 ? 上銀KK130線性模組
上銀KK130線性模組
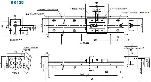
雷研精密傳動設備有限公司現貨上銀KK130線性模組【價格合理、原裝正品】請需要KK130線性模組的朋友聯系:黃志杰(經理)? 聯系電話:15802034588。
KK130線性模組維護
○初次使用前應先將潤滑油補滿,請注意油品種類,不同的潤滑油不可混用。
○正常使用狀況下,建議每行走100 km應檢查運轉狀況一次,清除積污,并補充潤滑油,滑軌及絲桿均應潤滑。
KK130線性模組操作使用
○操作時須依照型錄記載的額定條件,例如最高轉速、負荷等,以免造成功能損壞或工安事故。
○應避免紛塵、切屑等異物侵入滾珠循環系統內,造成損壞、壽命減短或功能異常。
○操作環境溫度應在800C以下,若需應用在高溫場所的產品,請洽HIWIN業務。詳細說明http://m.hehuapj.com/1829.html
KK130線性模組選型步驟
工業機器人產品的選用,依不同使用條件及限制,可參考下列選用流程。
1.使用條件
○有效行程
○空間位置限制(寬度、高度、長度)
○安裝方式(水平、垂直、側掛)
○負載重心位置
○運轉條件(導程、速度、加減速度、工作週期)
○使用環境(高溫、振動、油、水、腐蝕)詳細說明:http://m.hehuapj.com/1826.html。
KK130線性模組安裝
滾珠絲桿型式若確定用途為垂直方向(z軸)請注意,垂直安裝屬於特殊使用狀態,承載負荷請在表列最大可搬重量 (直立)范圍內使用,除此之外,時規皮帶型式禁止垂直方向使用。
瀏覽線性模組的人還會?
KK100線性模組、KK60線性模組、等!
滾珠絲杠討論①群263545937(專家在線為你解答)歡迎你的加入!
版權所有 © 轉載時必須以鏈接形式注明作者和原始出處!



