當前位置: 滾珠絲桿網 ? 3210滾珠絲桿 ? SCI3210滾珠絲杠
SCI3210滾珠絲杠
雷研精密傳動設備有限公司供應SCI3210滾珠絲杠【貨源充足、價格合理、原裝正品、品牌齊全】請需要SCI3210滾珠絲杠的朋友聯系:黃(經理)? 聯系電話:15802034588。
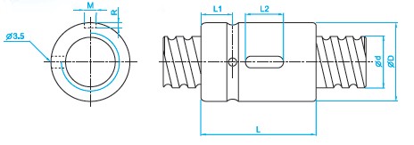
SCI3210滾珠絲桿參數
型號:SCI3210
絲桿外徑:32
導程:10
珠徑:6.35
螺母外徑:54
螺母的長度:85
珠圈數:1×4
動額定負荷:4805
靜額定負荷:12208
剛性:62。
【絲杠的安裝方法】
? 安裝絲杠與螺母主要有兩種方法:軸轉,螺母不轉;或者軸不轉,螺母轉。后者經常用在長軸的極限臨界轉速低于想得到的最大轉速時,也用在拖板的長度大于行程時。旋轉的螺母通過軸承支撐和工作臺相聯,在齒輪、同步皮帶或者使用螺母的外徑作為電動機轉子軸的直接驅動電動機的帶動下旋轉,電動機使用螺母的外徑作為電動機轉子軸。一些制造商提供用于旋轉螺母的與滾珠軸承作成整體式的滾珠絲杠螺母。
瀏覽SCI3210滾珠絲桿的用戶還會?
DFI3210滾珠絲杠、DFS3210滾珠絲杠等
滾珠絲杠討論①群263545937(專家在線為你解答)歡迎你的加入!
版權所有 © 轉載時必須以鏈接形式注明作者和原始出處!


